Sale!

PSO Tuned MPPT Control of PV array

Original price was: ₹17,000.00.Current price is: ₹0.00.

Total downloads: 18

This simulink model is designed in MATLAB to track the maximum power from PV array. PSO optimization algorithm is used which is tuning the optimized duty cycle. The particles positions are duty cycle in each iteration for each cycle the duty cycle is fed into PSOmodel.slx, and output power is saved and compared in next iteration final duty cycle is loaded into the final model. Below results are shown for the different PV array. Maximum Power is tracked in case of PSO.

 

Download Code  Discuss Code

Description

The solar energy has wide applications in the electrical field. A Photo Voltaic (PV) cell is converted the sun energy into electrical energy. The PV array fulfills the high power demand. A PV array is consisting of several series and parallel strings of PV cells. The maximum output is achieved after multiple connected cells in a module. But the solar PV array has limited output power. The output power can be improved by the Maximum Power Point Tracking (MPPT) [1].

Thesis Statement

In this thesis, we designed an optimal MPPT scheme for the PV cell array. The Particle Swarm Optimization (PSO) is used to tune the converter circuit duty cycle. A Simulink model is developed in the MATLAB 2016a with SPR-305E-WHT-D (330 sun power modules) solar array. The environmental conditions like temperature and irradiation affect the performance of solar PV array. The MPPT extracts the average current and voltage as per all the environmental conditions. So the maximum power tracking achieved from a PV cell array by using PSO tune MPPT control. The PSO tune MPPT control provided improved performance than the P&O based MPPT control of PV array.

A similar product, Optimization of Neural Network for MPPT Control of PV Grid system, is available on Free-thesis.com.
Input to Neural network for MPPT control in PV grid system
NN for MPPT control @ free-thesis

 

PV Array Characteristics

A PV array is a combination of several PV cells. The PV cells either connected in series or parallel based on the power requirement. The mathematical expression of the PV array is

I0= ηp Iph– ηs Irs[exp(K0V/ ηs)-1]                                                                                  (1)

I0=PV array output current

V= PV array output voltage

Iph= cell photocurrent directly proportional to solar irradiation

Irs= reverse saturation current depends on the temperature

ηp and ηs= number of series and parallel strings per module

K0= constant value

PV Array MPPT Control

We have taken SPR-305E-WHT-D (330 sun power modules) structure of a PV array. In this arrangement, 5 strings are connected in series and 66 strings are connected in parallel for each PV module. The irradiance is 1000 W/m2 and cell temperature=25 deg. C for each cell. This arrangement is available in MATLAB Simulink tools. The maximum power is extracted from the PV cell by using the formulation shown below;

PSO tuned MPPT control@ free-thesis

Figure 1: Power and Voltage curve of an PV array with MPPT point

Pmmp=(Ns× Vmmp)×(Np×Immp)                                                                           (2)

Pmmp = Reflects the maximum power during the MPPT

Immp and  Vmmp = maximum current and voltage of the module at MPPT.

Figure 1 shows the MPPT response of PV array architecture with power and voltage variation. The red circle denotes the MPPT point with different irradiation levels.

Proposed method

We developed PSO based MPPT model of a PV array. The MPPT control of PV array is provided global efficiency of the system. In this thesis, the complete work is divided into two parts PSO optimization and MPPT tracking. The PSO optimized the period of the duty cycle of the MPPT controller and selected its optimum value.

PSO tuned MPPT control@ free-thesis

Figure 2: Block diagram of PSO tuned MPPT control of PV array

Figure 2 shows the process of the proposed work. The PSO optimization algorithm tracks the Maximum power point on the PV curve. The tracked output voltage by the PSO tuned MPPT should be greater than the other MPPT control scheme of PV array.

Steps of Proposed Method

  1. Develop a Simulink model that has PV array configuration with the MPPT control scheme. We take a 100 Watt PV array configuration from the MATLAB library and irradiance range from 800-1000 W/m2.
  2. Formulate objective function for the duty cycle period for MPPT. The objective function is shown in table 1.

Table 1: Objective function of duty cycle time period of MPPT controller

  1. Debug the PSO algorithm, which optimized the objective function of the MPPT scheme. The MPPT controller uses the minimized value of the duty cycle,
  2. Run the complete Simulink model and Analyze the output response of voltage and power of PSO tuned MPPT control.
  3. The comparison of the proposed method is also made with the P&O control MPPT method of PV array.

Results and Discussion

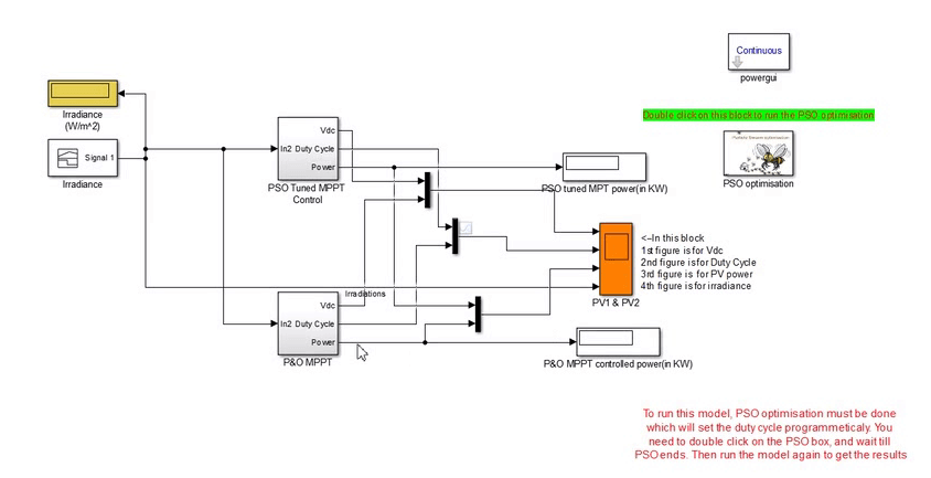
The entire work is performed in the MATLAB 2018a software. A PSO tuned PV array MPPT control model is developed with their necessary equipment. Figure 3 shows the complete Simulink model of the proposed method. The optimization convergence curve is shown in figure 4, which minimizes the objective function value. The time of the converter duty cycle is minimized which provided maximum power tracking from the PV array module.

PSO tuned MPPT control@free-thesis

Figure 3 Simulink model of PSO tuned MPPT control of PV array

PSO tuned MPPT control@free-thesis

Figure 4 COnvergence curve of PSO optimization

Figure 5 shows the comparison among various parameters of the Simulink model. The output DC voltage, duty cycle, output power comparison is shown in figure 5. The irradiation variation is also shown in the last waveform. The PSO based MPPT control of PV array extract more power than the P&O based MPPT control PV array.

PSO tuned MPPT control@ free-thesis

Figure 5 Outcomes comparison among Vdc, power and duty cycle with different irradiation level

Conclusion

This work deals with the PSO tuned MPPT control of a PV array module. The maximum power is achieved at the output end of a PV array module. The PSO optimizes the converter duty cycle and improved output power is attained.

machine learning

machine learning

machine learning

References

  1. Liu, Fangrui, Yong Kang, Yu Zhang, and Shanxu Duan. “Comparison of P&O and hill climbing MPPT methods for grid-connected PV converter.” In 2008 3rd IEEE Conference on Industrial Electronics and Applications, pp. 804-807. IEEE, 2008.
  2. Dolara, Alberto, R. Faranda, and Sonia Leva. “Energy comparison of seven MPPT techniques for PV systems.” Journal of Electromagnetic Analysis and Applications1, no. 03 (2009): 152.
  3. Villalva, Marcelo G., and Ernesto Ruppert. “Analysis and simulation of the P&O MPPT algorithm using a linearized PV array model.” In 2009 35th Annual Conference of IEEE Industrial Electronics, pp. 231-236. IEEE, 2009.
  4. Femia, Nicola, Giovanni Petrone, Giovanni Spagnuolo, and Massimo Vitelli. “Optimization of perturb and observe maximum power point tracking method.” IEEE transactions on power electronics20, no. 4 (2005): 963-973.
  5. Bai, Qinghai. “Analysis of particle swarm optimization algorithm.” Computer and information science3, no. 1 (2010): 180.

 

abhishek gupta

ScholarsColab.com is an innovative and first of its kind platform created by Vidhilekha Soft Solutions Pvt Ltd, a Startup recognized by the Department For Promotion Of Industry And Internal Trade, Ministry of Commerce and Industry, Government of India recognised innovative research startup.

3 reviews for PSO Tuned MPPT Control of PV array

  1. vishwa.ji (verified owner)

    aaaaa

  2. vishwa.ji (verified owner)

    ee

  3. omar.faruq (verified owner)

    key is here

Only logged in customers who have purchased this product may leave a review.

No more offers for this product!